上海勇宇汽配有限公司
地址:上海市闵行区 银都路588号(昌都园区)东库A楼601室
联系电话:021-54630088
联系手机:13901727608
QQ:021-54631191
邮箱:shyongyu@163.com
电磁型继电器的作用、原理与构成图解
一、电磁型继电器的构成
1、构成
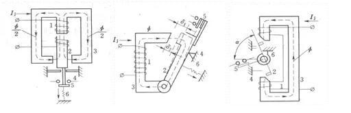
电磁型继电器依据构成原理,可分为:螺管线圈式、吸引衔铁式、转动舌片式,如图:

(a) (b) (c)
(a)为螺管线圈式
1—线圈 2—衔铁 3—电磁铁 4—静触点 5—动触点 6—反作用弹簧
(b)为吸引衔铁式
1—线圈 2—衔铁 3—电磁铁 4—止挡 5—触点 6—反作用弹簧
(c)为转动舌片式
1—线圈 2—舌片 3—电磁铁 4—止挡 5—触点 6—反作用弹簧
2、基本工作原理
当继电器线圈中通入电流Ij时,产生磁通φ。Φ经铁心、衔铁和气隙形成回路,衔铁被磁化,产生电磁力Fdc。当Fdc克服弹簧反作用力,衔铁被吸起,触点接通,称为继电器动作。

动作电流:使继电器从释放状态改变至动作后状态的最小电流。
返回电流:使继电器从动作后状态改变至释放状态最大电流。
回系数:返回电流与动作电流的比值,称为返回系数。
二、电磁型电流继电器
1、构成
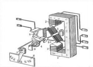
以DL—10型为例,如图:

1—电磁铁;2—线圈;3—Z形舌片;4—弹簧;5—动触点;6—静触点;
7—整定值调整把手; 8—整定值刻度盘
2、动作原理
当继电器线圈中通入电流Ij时,产生磁通φ,Φ经铁心、衔铁和气隙形成回路,衔铁被磁化,产生电磁力Fdc,当Fdc克服弹簧反作用力,衔铁被吸起,触点接通,继电器动作。
3、作用
在继电保护中反应并判断被保护对象上电流的变化。
4、图形与文字符号
KA
5、型号
如:DL——10的含义:
10—设计序号
L—反应的物理量类型(L:电流;Y:电压;S:时间;X:信号;Z:中间)
D—工作原理(D:电磁型;G:感应型;B:半导体型;W:微机型;L:整流型)
6、动作电流的调整方法:
1)粗调:改变绕组匝数,即连接方式。线圈选用串联方式时,整定值为整定把手指示值×1,线圈选用并联方式时,整定值为整定把手指示值×2。
2)细调:改变弹簧的反作用力,精细调节动作电流数值。
3)改变舌片的初始位置,由于涉及到改变继电器的结构,一般不采用该方式。
由于继电器在转动过程中,磁阻在减小,电磁力矩在增大,存在剩余力矩。同时由于摩擦力矩的存在,使得继电器的返回系数,必定小于1。
返回系数Kre=返回电流Ire/动作电流Iop
上百度、上淘宝、上阿里巴巴,搜索进店多重渠道任你选!更有微信公共号,搜“海拉总代理”了解最新产品资讯!
官网:www.yongyush.com
海拉中国区总代原创资讯,转载前请附上“——来自海拉中国区总代官方资讯”
推荐阅读
推荐产品
TAG:




