上海勇宇汽配有限公司
地址:上海市闵行区 银都路588号(昌都园区)东库A楼601室
联系电话:021-54630088
联系手机:13901727608
QQ:021-54631191
邮箱:shyongyu@163.com
低压电动机热继电器发热问题的解决
摘 要]低压电动机过负荷保护的热继电器存在经常发热的问题,甚至引起电动机误跳闸,严重影响辅机的安全稳定运行。通过将负载电流经过互感器变流后加到热继电器上,一方面减少通过热元件的电流,减少功率损耗,从而也解决了热继电器发热问题。
[关键词]低压电动机 热继电器 发热问题的解决
1 热继电器在电动机保护中的应用
热继电器通常作为低压电动机的过负荷保护,热继电器实际上是一种具有反时限过负荷保护特性的过电流继电器,因其有结构简单、体积小、经济耐用、便于维护等优点,而广泛用于低压电动机的过负荷保护。
2 低压电动机热继电器发热问题的分析
加装热继电器作为过负荷保护,在实际应用中起到了重要作用,但同时也存在热继电器经常发热的问题,甚至引起电动机误跳闸,严重影响辅机的安全稳定运行。下面以#3低加疏水泵为例分析低压电动机热继电器的发热问题。
例如:#3低加疏水泵型号为:Y280S-2,额定功率75KW,额定电流140A,使用JR16-150/3D双金属片式热继电器。
通常热继电器的整定原则为:
1)按电动机额定电流来选择,热继电器的额定电流应大于或等于电动机的额定电流。
2)按周围环境温度校验热继电器的整定电流,对无温度补偿的热继电器,当环境温度不同于制造厂规定的35℃时,应按下列进行计算: It =I35
It—环境温度为t℃时热继电器的额定电流
I35—环境温度为35℃时热继电器的额定电流
t —环境温度
3)根据热继电器特性曲线进行校验,当电动机主回路过负荷20%时应可靠动作,电动机启动时应不动作。
#3低加疏水泵的热继电器整定值为150A,电机在运行中一次电流较大,一般在100A左右,热继电器的一次结线中进线、出线共六个螺丝与电缆线鼻子连接,连接点、连接元件过多,而且电缆线鼻子都是手工制作,用螺丝与热继电器紧固。在实际运行中容易出现螺丝松动、电缆线鼻子与螺丝接触不良、接触部分氧化等问题导致接触电阻变大,接触电阻变大引起的发热经热传导将使热继电器发热现象加重,不仅使热继电器的特性变差,导致热继电器保护误动,而且发热导致接触电阻进一步变大,形成恶性循环。另外热继电器与电动机的安装位置不同,两者的环境温度不同,热继电器的散热条件差,再加上热继电器与电动机的散热特性很不一致,导致热继电器接线处发热情况比较严重,特别是在夏季,发热现象更为突出。
3 低压电动机热继电器发热问题的解决
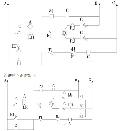
经过分析可知热继电器发热的主要原因有两个: 一个是引接线接触不良,另一个是通过热继电器的一次电流过大。而热继电器的引接线接触不良问题现在没有很好的解决方法,减小通过热继电器的一次电流是行之有效的方法。因此我们在B、C两相上分别加装一个电流互感器,按两相三继电器接法,将负载电流经过互感器变流后接在热继电器的加热元件上,一方面减少通过热元件的电流,减少功率损耗,从而解决热继电器发热问题,另一方面也可减小热继电器的体积。原低加疏水泵的交流控制回路图如下所示:

4 效果检查
我们将#3低加疏水泵的过负荷保护,通过电流互感器降低电流后再接入热继电器的方法,经过实际运行发现,自从改进后没有出现一次热继电器发热的现象。
上百度、上淘宝、上阿里巴巴,搜索进店多重渠道任你选!更有微信公共号,搜“海拉总代理”了解最新产品资讯!
官网:www.yongyush.com
海拉中国区总代原创资讯,转载前请附上“——来自海拉中国区总代官方资讯”
推荐阅读
推荐产品
TAG:




